Cagiva Mito Zylinderbearbeitung

  • Es gibt ja noch die sport Fußdichtung (Hop up Kit) womit man die 22er RGV Zylinder noch mehr anheben kann. Damit hat man es dann völlig versaut und verschiebt sich seine Maximalleistung um 1000 Umdrehungen nach oben. Die VJ21 Zylinder dürften vom möglichen Zeitquerschnitt um einiges günstiger liegen da deren Fenster kleiner sind. Hast du damit schon mal experimentiert, Marc?

    Gruss Willi

  • Hi,


    Wenn ich dass richtig verstand habe müsste man also auch Einlass, Auslass usw. bearbeiten wenn man die Überströmer ändert. Gibt es generelle Erfahrungen zu den Cagiva Zylinder hat jemand schon einmal einen solchen erfolgreich bearbeitet ?

    Über die Cagiva ließt man ja leider relativ wenig hier im Forum im Vergleich zu den 250ern.


    Vielleicht hat ja noch jemand ein paar Erfahrungswerte oder Tricks was den Zylinder anbelangt.


    Gruß Simon

  • Vermutlich nicht, deswegen der Gebrauchte Zylinder zum Opfern und der eigene Zylinder als Reserve. Vor der Bearbeitung müsstest du erstmal sehen bei welchen Steuerzeiten sich der Zylinder an deinem SP95 Auspuff am "wohlsten" fühlt.


    Meine Vorgehensweise als fortgeschrittener Laie:


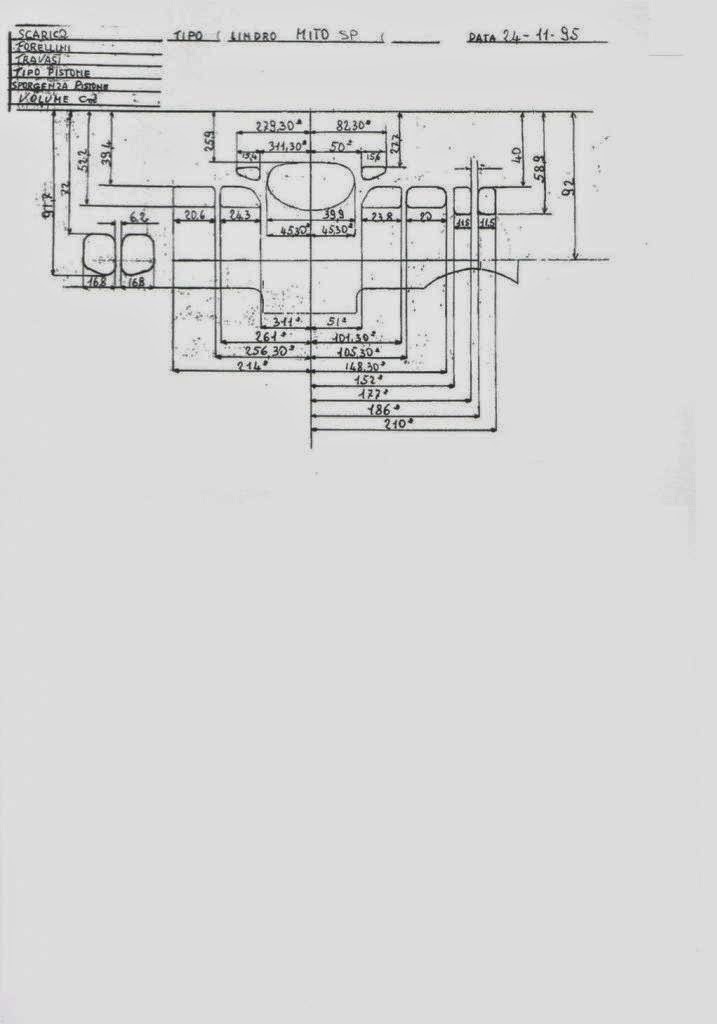
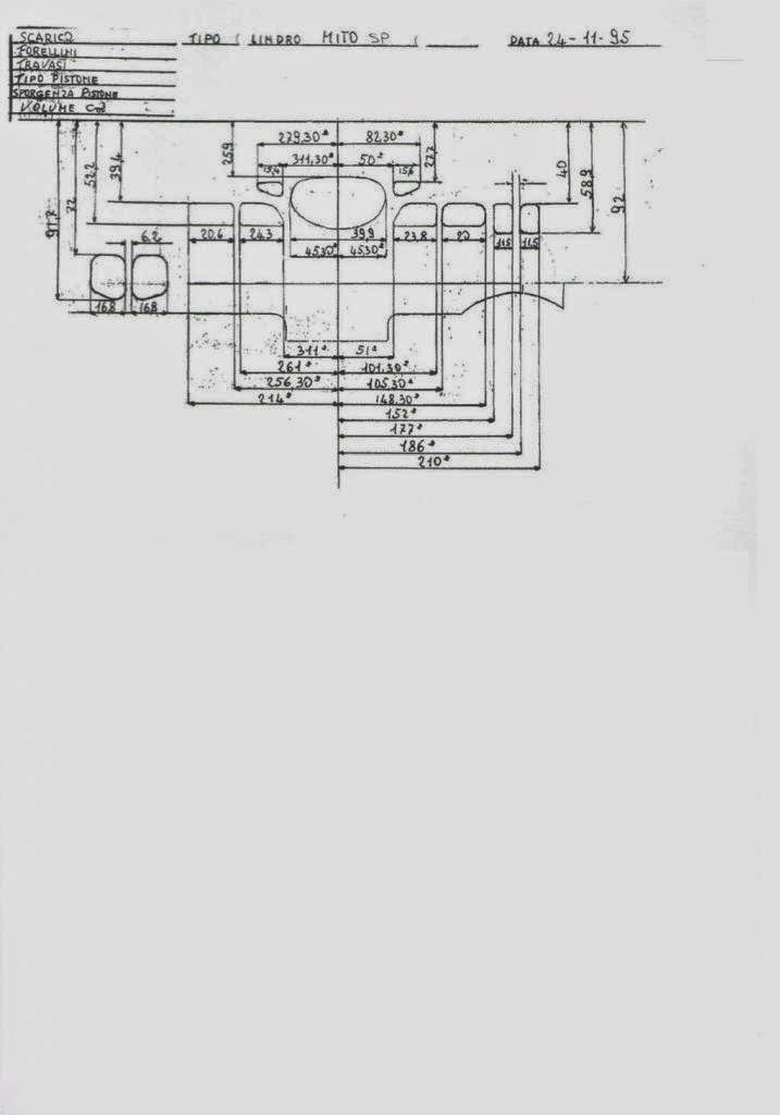
    Original hat die Mito ja glaube 188° Auslass und 124° Überströmer (zuzüglich den Serienstreuungen die bei der Mito vermutlich genau so abenteuerlich wie bei der RS sind).


    Im ersten Schritt einfach mal grob durch anheben oder absenken des Zylinders, dem anschließenden vermessen der Steuerzeiten ausprobieren und durch Fahrversuche mit Zeitmessung bewerten (Tachovideo auswertung, Dragy, GSF Dyno ect..) Prüfstand ist zwar die aller beste Wahl geht aber auf Dauer ganz schön auf die Geldbörse. Durch die reltiv breiten Überströmer der Mito im Vergleich zur RS125 sind die Erfahrungen zu den idealen Steuerzeiten eher nicht übertragbar

    Siehe ZXMADX's erklärung


    Dafür braucht es eine gut sortierte Brennraumsammlung um für alle Maße auf eine Brauchbare Kopfgeometrie und ein Brauchbares Verdichtungsverhältnis zu kommen.


    Dann wird's im Zweiten Schritt schon schwieriger, dann wird der ideale Vorauslass gesucht, das geht nur durch hochziehen des Auslasses dieser Prozess ist bedingt unumkehrbar (man könnte theoretisch den Zylinder am Fuss abdrehen und die Strömer wieder hochziehen um den VA wieder zu verringern, ist ein haufen Arbeit) das heißt, es kommt der Punkt wo man es Übertrieben hat. 34° VA sind schon sehr viel und das würde ich erst mal als Grenze Festlegen.

    Beim Verändern des VA greift man deutlich in Leistungscharakteristik des Motors ein, wenn das Drehzahlband verlagert wird, muss auch mit der Zündung gespielt und korrigiert werden .

    Bis du alle Parameter für einen gut funktionierenden Zylinder hast, können 2-3 zylinder (oder mehr) drauf gehen.


    Natürlich gilt: hast du bei Schritt 1 schon brauchbare Erfolge erzielt, musst du nicht zwangslaufig zu Schritt 2 übergehen.


    Nach den mutmaßlich brauchbaren Steuerzeiten kannst du anfangen dezent die Nebenauslässe zu verbreitern und dann wieder im Prüfstandlauf oder Fahrversuch mit Telemetrie (Video, Dragy, GSF dyno) bewerten ob die Maßnahme positiv oder negativ war. Dann Einlassfenster vergrößern, Strömer verbreitern und nochmal testen.


    Dann kann man noch mit Verschiedenen Auspuffparametern experimentieren, in dem man einen günstigen Zubehörauspuff besorgt, vermisst,

    ggf. am PC noch etwas am Auspuffrechner hin und her spielt.

    Die gute SP95 Reso bei der Gelegenheit auch vermessen und vergleichen.

    Dann durch verlängern oder einkürzen (in 10mm Schritten) des Zubehörauspuffes probieren in welche Richtung noch Potential drinnen steckt, auch hier spielt die Zündung eine Rolle, man kann zb. bei einen Kürzeren Auspuff mit 2-4° mehr Vorzündung in den Drehzahlbereichen wo man druck verloren hat, durch die dadurch verringerte ZZP bedingte Abgastemperatur die Welle im Auspuff verlangsamen und somit wieder etwas verlorene Kraft zurück holen. Oder eben nach verlängerung des Krümmers durch weniger Vorzündung die Abgastemperatur erhöhen und verlorene Drehzahl zurück holen. Auch mit Verschiedenen Endrohrdurchmessern im bereich von 22-24mm kann experimentiert werden (mit 24mm anfangen , probieren und dann reduzieren und nochmal probieren)

    Nur was knattert und stinkt, mir Freude bringt :biggrin:

  • Welche Steuerzeiten haben denn die RGV Zylinder?


    Bei einer 125er sollte man auch bei den gängigen guten und fahrbaren Steuerzeiten bleiben. Die Power würde ich dann nicht mit dem Fräser holen.


    Gruß Holli

  • Das ist eine Portmap von Irgend einem RGV Zylinder, ich weiß bloß nicht mehr von welcher Baureihe, ZXMADX geht bei den Zylindern wohl nicht über 125° Überströmer.

    Nur was knattert und stinkt, mir Freude bringt :biggrin:


  • Hab schon Lange nicht mehr in den Motor meiner Mito reingeguckt, hab total vergessen wie krass der Zylinder schon im Serientrimm bestückt ist. Also von den Fensterflächen her ist da nicht mehr viel raus zu holen. Man könnte die Nebenauslässe noch auf 16mm verbreitern und dann bleibt nur noch die Suche nach dem Perfekten Vorauslass.


    Edit: gerade Gelesen, der 66650E Zylinder bringt es auf 124°/194° = 35°VA, das ist doch mal ne Ansage :winking_face:

    Nur was knattert und stinkt, mir Freude bringt :biggrin:

    Einmal editiert, zuletzt von el bodo es loco ()

  • Das ist eine Portmap von Irgend einem RGV Zylinder, ich weiß bloß nicht mehr von welcher Baureihe, ZXMADX geht bei den Zylindern wohl nicht über 125° Überströmer.

    Ergänzung dazu:


  • Daher geh ich oft her und senke die Steuerzeiten der Überströmer um fast 5° und erhöhe den Auslass um 5° und verbreitere ihn noch geringfügig und pass die Oberkante an.


    Hallo Marc

    wie senkst du die Überströmer? Drehst du den Zylinder unten ab oder füllst du die Kanaloberkante mit Kaltmetall auf? Das dürften ja fast 2mm sein.

    Gruß Frank

  • Ja genau, Zylinder muss abgedreht und der Zylinderkopf angepasst werden. Es handelt sich hierbei um max. 1mm. Je nach dem welche Steuerzeiten die Überströmer vorher hatten.

  • auf welche Steuerzeiten bzw Zeitquerschnitte bringst du die Zylinder dabei?