...die gamma steht hinten zu tief.
Tach.
Hilft ja nichts...
Wisst Ihr noch weitere Adressen mit baugleichen "Knochen"
https://www.performancefab.co.uk/ride-height-adjuster ?
Er macht ja Top Sachen, leider ist das Versandfenster so ein Würfelspiel.
...die gamma steht hinten zu tief.
Tach.
Hilft ja nichts...
Wisst Ihr noch weitere Adressen mit baugleichen "Knochen"
https://www.performancefab.co.uk/ride-height-adjuster ?
Er macht ja Top Sachen, leider ist das Versandfenster so ein Würfelspiel.
Er macht ja Top Sachen, leider ist das Versandfenster so ein Würfelspiel.
Hab da auch vor mehr als 2 Wochen die "Clutch Anti Drag Plate" bestellt und per paypal bezahlt aber seitdem nix mehr gehört. Wie funktioniert das denn bei dem? Oder verschickt der nicht nach .de?
Verschickt schon, brauchst halt viel Geduld. Warte nun 2+Jahre für meine Auspuffanlage.
Hallo Joseph.
Danke für das Bild und die Bauanleitung.
Hättest du die genauen Maße für den Knochen?
georg_horn
Ich hab dann irgendwann nochmal freundlich nachgefragt und dann war es auch irgendwann da.
Hast aber Recht. Is schon ungewöhnlich nach dem bezahlen keine Rückmeldung zu bekommen.
Hab mich auch beim ersten Mal gewundert.
meckert
Solange würde ich nicht warten wollen.
Das ist doch kein Kickstarter Projekt.
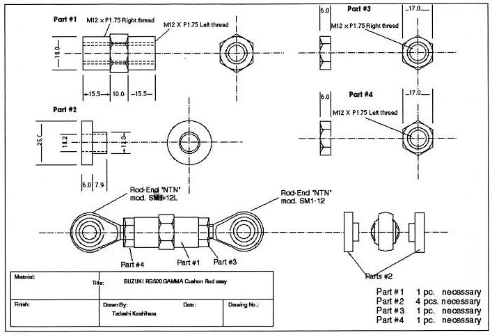
So in etwa? Habe ich irgendwo mal gefunden.
Wenn man eine Seite mit M10 und die andere mit M12 macht hast Differentialgewinde und kannst ohne Sicherungsmutter arbeiten. ![]()
Perfekt!
Vielen Dank.
Am Ende des Tages muss das Ding nur noch so aussehen, dass der TÜV es OK findet.
Tach.
Wie breit ist die Aufnahme für den Knochen?
Das seh ich so auf der Zeichnung nicht.
Die Lasche an der Umlenkung hat lichte Weite 28mm
Ein normales M10 Kugelgelenk geht nicht mit den Originalen #2 Teilen!
Das wird zu breit.
Must entweder abdrehen, besser neu nach den Massen deines verwendeten Kugelkopfes machen☝️😉