Kurbelwelle RGV250/RS250

  • Zitat

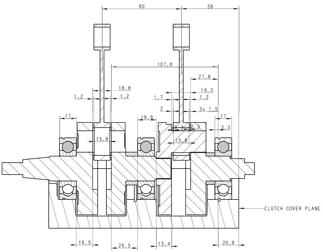
    Original von Mik500
    Hallo.
    Kann eigentlich Falschluft über z.B einen undichten
    Wellendichtring in der Mitte, ins Kurbelgehäuse gelangen?


    Grüße
    Mik


    Ich hatte damals die Frage gestellt, um zu klären,
    ob darüber Falschluft gezogen werden kann...bzw. es
    dann zu einer Abmagerung, bzw. Fresser kommen kann.
    Ist ja jetzt geklärt, das der Ring eigentlich gar keine richtige
    dichtende Funktion (bzw. wenn überhaubt nur eine grobe) hat.


    Meine Befürchtung kam aus einer anderen Ecke (großer Zweitakter :biggrin:)
    aber da ist das Gehäuse ja anders aufgebaut...


    Geklärt. :drink:
    Grüße
    Mik

    ... Zipfelklatsch......

  • :thinking_face: bevor ich einen neuen Tread eröffne, passt hier ganz gut rein:


  • Das könntest du auch in die FAQ schreiben, mit eigener Überschrift. Dann kann man es ggf. auch über die Suche finden.

  • :thinking_face: auch wieder wahr, dann könnte man die FAQ auch gleich aufräumen :shushing_face:

  • Wo wir grad beim Thema sind:

    Was für Gewinde sind Kupplungs und Lichtmaschinenseitig auf den Kurbelstümpfen?

    M12 ist klar, aber x1.25 oder x1.5?


    Gruß Tim

    Wer im Schlachthaus sitzt sollte nicht mit Schweinen werfen!

  • Hi,


    nimm halt ne Gewindelehre und halt sie dran, dann weißt du´s.


    Gruß

    Felix

    2Takte sind genug und Ventile gehören in die Reifen

  • Danke für diesen wertvollen Hinweis.

    Wer im Schlachthaus sitzt sollte nicht mit Schweinen werfen!