Ich denke, die Kolben für die 3XV1 gibt es noch beim Händler, habe ehrlich gesagt, noch garnicht gefragt.
Kennt denn einer auch noch eine andere Quelle?
Yambits hat nichts und ich habe auch nichts anderes gefunden.
Passen evtl. 4DL Kolben?
Danke
Volker
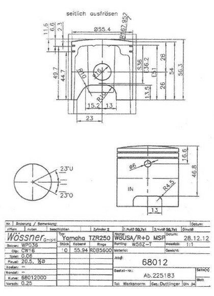
Kolben TZR 250 3XV1
-
-
-
Also 4DL Kolben passen nicht. Einige bauen den Motor auf TZ250 (4DP) Kolben und Zylinderkopf um. Im englischen TZR Forum gibt es hin und wieder eine gemeinsame Bestellung aus den USA bei Wössner... Die teuerste Lösung wäre Kolben Wahl....
-
Schick einfach mal an die wössner Jungs ne E-Mail ob sie dir weiter helfen können. Ich glaub mindestens Abnahme is 6kolben aber die bekommst ja easy los
-
3XV-11631-01-95
Auf eBay habe ich auch schon einen Satz, bestehend aus 2 Kolben mit Ringen, Lager und Bolzen für schlanke 470 Euronen gesehen.
Vielleicht geht' s ja woanders günstiger
Hi Lorenz,
cool. Wo hat man sowas her? -
http://pure2strokespirit.net/forums/index.php?topic=389.0
Kannst dort auch mal im suche forum schreiben, da geht bissl mehr 3xv mäßig wie in Deutschland und evtl hat ja jemand aus der letzten Gruppenbestellung was übrig.
Grüßle
-
Bei meinem Yamaha Händler kosten die beiden Kolben inc. Ringe, Bolzen, Nadellager und Clipse ca. 385,- Euro.
Gruß
Stulle -
Anscheinend ist das auch die naheliegenste Lösung.
Ich hatte halt gehofft, irgendwo gäbe es noch eine billigere Quelle....