Cagiva Mito CDI Schaltplan und nachbau.

  • Hallo,


    das Thema CDI kommt ja auch langsam bei der Mito und es gibt ja nur noch gebrauchten überteuerten Müll vom Schrotthändler.


    Daher wurde mir eine CDI zum untersuchen zugeschickt.


    Die Mito bis einschließlich N3 bj 2006 hat ein sehr primitives wasted Spark Systen, was keinen Pickup (Kurbelwellen Geber) hat, sondern auf den Polwechsel der Magnete reagiert.

    damit die Mito bei 6.000 und nicht erst bei 12.000 rpm die Batterie lädt, hat der Rotor 4 Magnetpole daher zündet die Mito 2 mal pro KW Umdrehung, also kurz vor OT und kurz vor UT.


    Da der Aufbau der CDI sehr primitiv ist, sollte sich jeder mit kleinem Handwerklichen Geschick eine CDI an einem Nachmittag nachbauen können.



    Zu erst wird zerlegt:


    Die Kokusan Denki CU2168 ist in Silikonartiger Vergussmasse eingebettet, da hilft nur Popeln.


    Fast alles weg


    Anschließend


    hab ich alle Bauteile abgelötet und vermessen.


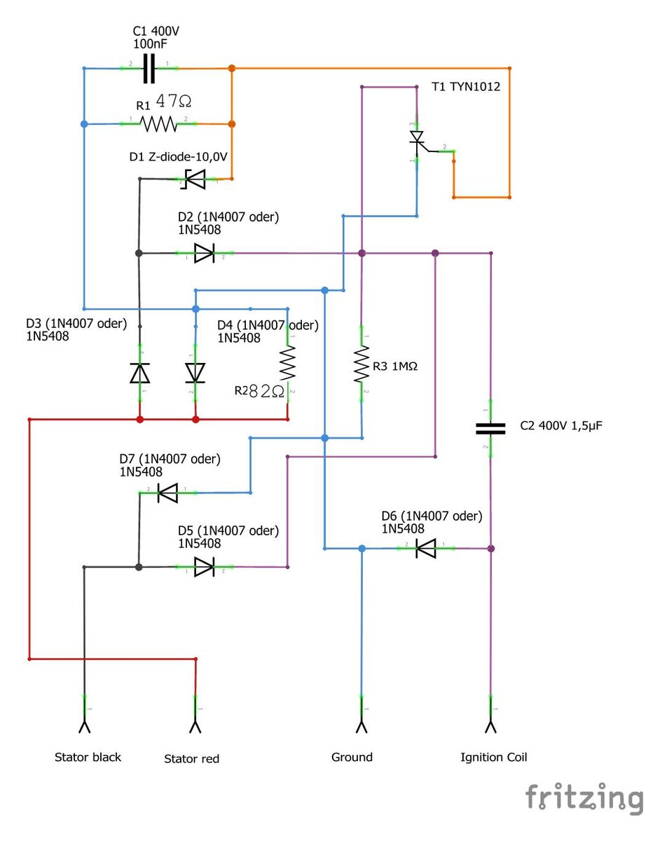
    Daraus ergibt sich folgender Bestückungsplan:



    Der Schaltplan:


    und die Teileliste:



    R1= 47 Ohm

    R2= 82 Ohm

    R3= 1.000.000 Ohm


    C1= 100nF

    C2= 1,5 ųF (400V)


    T1= Toshiba H2G (gibts nicht mehr, ich werde ein paar alternativen testen)


    D1= Zener Diode mit 9,7V gemessen an 10 Kohm, ich vermute es ist eine 10V Z-Diode

    D2-D7 = Gleichrichterdiode 3A Belastbarkeit


    Basierend auf der Bestückung und Verdrahtung der erste Prototyp


    Das den H2G nicht mehr gibt, habe ich einen TYN1012 verbaut


    Auf der Werkbank spuckt das ganze schon Funken, übernächste Woche habe ich Urlaub und sehe meine Mito wieder, dann kann ich mit dem Strobo prüfen ob die Zündverstellung taugt oder nicht.

    Nur was knattert und stinkt, mir Freude bringt :biggrin:

  • Hier mal die wieder zusammen gelötete Original Kokusan Denki CU2168 CDI in Aktion:


    Externer Inhalt youtube.com
    Inhalte von externen Seiten werden ohne Ihre Zustimmung nicht automatisch geladen und angezeigt.
    Durch die Aktivierung der externen Inhalte erklären Sie sich damit einverstanden, dass personenbezogene Daten an Drittplattformen übermittelt werden. Mehr Informationen dazu haben wir in unserer Datenschutzerklärung zur Verfügung gestellt.



    und der erste Prototyp


    Externer Inhalt youtube.com
    Inhalte von externen Seiten werden ohne Ihre Zustimmung nicht automatisch geladen und angezeigt.
    Durch die Aktivierung der externen Inhalte erklären Sie sich damit einverstanden, dass personenbezogene Daten an Drittplattformen übermittelt werden. Mehr Informationen dazu haben wir in unserer Datenschutzerklärung zur Verfügung gestellt.

    Nur was knattert und stinkt, mir Freude bringt :biggrin:

  • Das Zündsystem ist wirklich primitiv und alles andere als Leistungsfördernd. Damit bleibt viel Potential auf der Strecke. Ich finde es aber toll das du hier eine Ersatz Cdi entwickelt hast.


    Bravo

  • Danke für die Blumen :smiling_face_with_smiling_eyes:


    ein kleiner Teaser, der Erststart:


    Nächste Woche wird Stroboskopiert



    Externer Inhalt youtu.be
    Inhalte von externen Seiten werden ohne Ihre Zustimmung nicht automatisch geladen und angezeigt.
    Durch die Aktivierung der externen Inhalte erklären Sie sich damit einverstanden, dass personenbezogene Daten an Drittplattformen übermittelt werden. Mehr Informationen dazu haben wir in unserer Datenschutzerklärung zur Verfügung gestellt.

    Nur was knattert und stinkt, mir Freude bringt :biggrin:

  • Ein wenig Stroboskopiert, keine genaue Vermessung der Zündkurve vorgenommen nur die beiden Punkte Maximaler und Minimaler Frühzündung kontrolliert, Nachbau und Original nehmen sich nichts.


    Dann eine ausgiebige und unauffällige Probefahrt unternommen. Alles funktioniert wie es Soll, der Nachbau ist geglückt.

    Nur was knattert und stinkt, mir Freude bringt :biggrin:

  • Also zusammengefasst:


    Schaltplan:



    D1:


    BZX 85C10 VIS: Zener-Diode, AEC-Q101, 10 V, 1.3 W, 5 %, DO-41 (DO-204AL) bei reichelt elektronik


    D2 - D7: (ich habe 1N4007 1A genommen, die sollten auch gehen, für ganz vorsichtige die größeren Dioden mit 3 A)


    1N 5408: Gleichrichterdiode, 1000 V, 3 A, DO-201AD bei reichelt elektronik


    R1:


    VI MBB02070C4709: Dünnschichtwiderstand, axial, 0,6 W, 47 Ohm, 1% bei reichelt elektronik



    R2:


    VI MBB02070C8209: Dünnschichtwiderstand, axial, 0,6 W, 82 Ohm, 1% bei reichelt elektronik



    R3:


    VI MBE04140C1004: Dünnschichtwiderstand, axial, 1 W, 1 MOhm, 1% bei reichelt elektronik


    C1:


    MKS4-400 100N: Folienkondensator, 100nF, 400V, RM7,5 bei reichelt elektronik


    C2:


    MKP4-630 1,5µ: Folienkondensator, 1,5µF, 630V, RM27,5 bei reichelt elektronik


    T1:


    TYN 1012RG STM: Thyristor, 1000 V, 12 - 8 A, 15mA, TO-220 bei reichelt elektronik


    Platine 60x40mm zum unterbringen der Bauteile:


    LR-DS-46: Lochrasterplatine, doppelseitig, 60 x 40 mm bei reichelt elektronik


    Nicht vergessen die Schaltung nach erfolgreichem Test gegen Feuchtigkeit und Vibrationen zu Sichern (zb. durch vergießen)


    Edit 29.06.2023: kleinen Schönheitsfehler im Schaltplan beseitigt


    Edit 14.07.2023: Fehler im digitalen Schaltplan beseitigt: R1 und R2 waren vertauscht (Die handschriftliche Skizze war immer in Ordnung)

    Nur was knattert und stinkt, mir Freude bringt :biggrin:

    3 Mal editiert, zuletzt von el bodo es loco ()

  • Hallo ich glaub ich hab jemanden gefunden der mir bei meinem Problem helfen kann😅


    Hab vor einer Woche ne Mito Baujahr 96 gekauft in gelb.

    Da muss einiges gemacht werden .

    Springt nicht an kein Funke laut Vorbesitzer ist bereits ne neue cdi drin kannst du mir vll ne Anleitung ne geben was an dem Stecker der cdi ankommen muss es sind ja 5 klemmen

  • Willkommen Salvatore und Glückwunsch zu deiner Mito!

    Doch bevor man mit der Tür ins Haus fällt sollte man sich mal kurz vorstellen. Dann bekommst Du bestimmt von allen Seiten bei deinen Problemen geholfen.

    Gruß Uwe

  • Hallo ich glaub ich hab jemanden gefunden der mir bei meinem Problem helfen kann😅


    Hab vor einer Woche ne Mito Baujahr 96 gekauft in gelb.

    Da muss einiges gemacht werden .

    Springt nicht an kein Funke laut Vorbesitzer ist bereits ne neue cdi drin kannst du mir vll ne Anleitung ne geben was an dem Stecker der cdi ankommen muss es sind ja 5 klemmen


    Hallo und willkommen im blauen Dunst :smiling_face_with_halo: ,


    mache am besten einen neuen Thread bzw. ein neues Thema im Mito Bereich auf mit der Überschrift: "Mito 96 hat keinen Funken" da es mit dem Thema Nachbau CDI hier nur einen kleinen Berührungspunkt hat.


    Dann bekommst du von uns auch Tipps, Schaltpläne und Messanweisungen was wo und wie gemessen wird und den Support bis die Mito wieder brav tuckert und qualmt.

    Nur was knattert und stinkt, mir Freude bringt :biggrin: