Ich vermute das die cdi im arsch ist was ist der sogenannte pickup?
Und hat jemand ein funktionierende rumfahren wäre vielleicht hilfreich
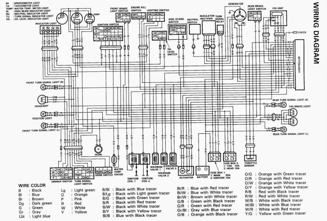
Welche Farben haben die Kabel an euren zündspulen ?
Suzuki Rgv250
-
-
Schaltplan:
-
Wie kann ich überprüfen ob meine Lima noch funktioniert?
-
Im Werkstatt-Handbuch findest du genaue Anleitungen, wie du sämtlich Elektrik-Komponenten durchmessen und prüfen kannst.
-
Läuft O.O
-
Und? Woran hat es gelegen?
-
Zündschlüssel wieder gefunden?
-
Richtig !! Ne Spaß und zwar lag es an dem neutral Schalter im Getriebe der ist warscheinlich defekt hab ihn mal überbrückt
-
Das kann nicht der Grund dafür sein
-
Zitat
Original von Daniel Koch
Richtig !! Ne Spaß und zwar lag es an dem neutral Schalter im Getriebe der ist warscheinlich defekt hab ihn mal überbrücktOder der Seitenständerschalter
