Anfertigung von neuen Kurbelwellen

  • Aktuell planen wir das ganze noch. Ein weiteres Mitglied hat sich noch gemeldet und möchte sich mit einbringen. Er hat bereits eine komplette Kurbelwelle gebaut und kennt die Fertigungsabläufe, Materialwahl und Wärmebehandlung. Das erspart Experimente. Ziel soll es sein Plug&Play zu passen. Wir planen noch welche Versionen wir anbieten. Quasi Street und Racing.

  • Nous sommes encore en train de tout planifier. Un autre membre s’est manifesté et aimerait s’impliquer. Il a déjà construit un vilebrequin complet et connaît les processus de production, la sélection des matériaux et le traitement thermique. Cela permet d’économiser des expériences. L’objectif doit être d’installer Plug & Play. Nous sommes encore en train de planifier les versions que nous proposerons. Quasi street et course.

    Bonjour, avez-vous entendu parler de ce projet ?

  • Schön wäre es, wenn auch die Kurbelwelle vom VJ23 angefertigt werden könnte. Das ist die Nachfrage sehr gross.

  • Hallo Le_Baron.


    Gibt es da in Deutschland überhaupt ein Markt dafür? Offiziell gab es die Maschine nicht käuflich in Deutschland. Kenne jetzt auch niemand der eine fährt.

  • Hallo Le_Baron.


    Gibt es da in Deutschland überhaupt ein Markt dafür? Offiziell gab es die Maschine nicht käuflich in Deutschland. Kenne jetzt auch niemand der eine fährt.

    Hallo Zxmadx, ja wahrscheinlich nicht in Deutschland, da hast du vollkommen recht.

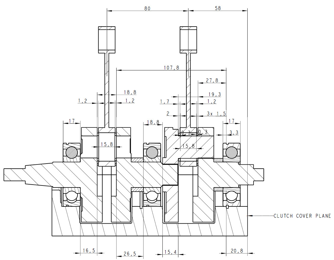
  • Hi Jungs, lange kam hier nichts mehr, was nicht bedeuten soll das wir nicht aktiv waren. Im Prinzip steht der Prototyp kurz vor Vollendung. Die Welle ist nun eine vollständige Eigenentwicklung und lehnt sich an die Serienwelle an. Kann oben oder unten geführt werden. Hat im Pressverband überall 15mm breite.



    Parallel arbeiten wir an 2-teiligen CNC Zylinderköpfen.




    Bald folgen weitere Infos.

  • Habt ihr schon eine Preisindikation für die Welle?

  • Da das ganze keine Massenproduktion ist und wir erstmal mit kleinen Losgrößen beginnen wird das ganze sich zwischen 1800-2000€ bewegen. Darunter ist das als Made in Germany unmöglich.