Alles klar also genau so wie gedacht - danke für die Bestätigung.
Beiträge von Platium
-
-
Ok die Position C wird beim schalten auf On aktiviert wenn ich das richtig verstehe oder?
-
Hi zusammen,
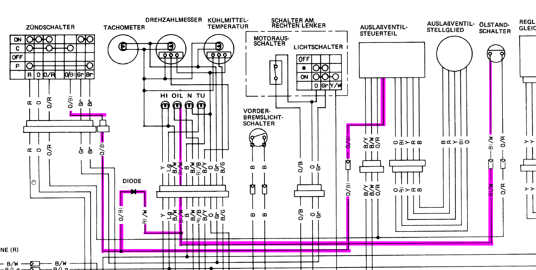
die RGV250 hat nach Schaltplan eine C-Stellung am Zündschloss. Weiß jemand was für eine Stellung das sein soll?
Nur die C-Stellung verbindet das Orange/Blaue Kabel mit 12V wodurch der Ölstandschalter mit Ölleuchte sowie Auslassventilsteuerteil angesprochen werden. Ist das ein zwischenstellung um einen Art Selbstcheck laufen zu lassen?
-
Danke euch hab den Emil nun mal angeschrieben
-
Unten sieht alles normal aus. Da der Vorbesitzer früher auch rennen gefahren ist könnte es natürlich möglich sein das es ein Emil Schwarz Bauteil ist.
-
Hi zusammen,
ich wollte gerade die Lenkkopflager wechseln da ist mir aufgefallen das das neue obere einen Innendruchmesser von 25mm hat. Mein altes wird auf die Nutmutter aufgepresst und hat dementsprechend 30mm. Im Internet finde ich nur die Info das normal ein 25x47x15 verwendet wird. Das aktuelle bei mir verbaut wäre ein 30x47x15 (finde ich so auch gar nicht auf dem Markt - das näheste wäre noch 30x47x12)
Laut Ersatzteilkatalog hat die VJ22 auch nur eine normale Nutmutter und keine mit Bund wo das Lager aufgepresst wird. Wurde hier etwas aus einer VJ21 oder anderen Bike vom Vorbesitzer verbaut?
-
-
Das System funktioniert nur mit Seilzug und ändert die Übersetzung. Hatte das mal bei einem anderen Bike getestet und war mist da der hub nicht mehr ausreichend war. Ist aber natürlich von Motorrad zu Motorrad zu sehen.
-
Ich bin heute noch kurz in die Werkstatt gekommen. Hier die Messwerte:
- Original Kupplungsarmatur mit Seilzug = 353,2 g
- Adelin Kupplungsarmatur mit Seilzug = 446,5 g
- Aliexpress Hydraulikzylinder 12,7mm + Adelin 14mm Radial Pumpe = 626,2g
- Aliexpress Hydraulikzylinder 12,7mm + 12,7mm Axial Pumpe = Schätzungsweise 500g (konnte ich nicht wiegen)
- Magura Hymec = 350,2g
Also ja die Magura Hymec ist sogar leichter wie das original Setup. Zu beachten ist auch das jedes Setup einen einstellbaren Hebel hat außer die original Kupplungsarmatur.
-
Ich werde das System demnächst mal wiegen aber viel Unterschied wird nicht vorhanden sein denke ich.
Die Buchse welche ich gemacht habe wurde nicht ausgemessen. Also zum testen habe ich einfach eine Buchse mit Überlänge gedreht und dann so montiert das das korrekt Freispiel vorhanden ist. Da ich die Magura nun hab werde ich den Ausrückhebel noch korrekt montieren (danke euch für den Hinweis) und die Buchse auf korrekte Länge bringen und das System verwenden.
Das Aliexpress System geht dann an ein anderes Bike da dies auch besser arbeitet als die alten Standard Komponenten.
Ach und bezüglich Mehrgewicht an einem Rennbike. Ich habe lieber eine Kupplung welche halb so viel Kraft verlangt und dadurch 200g Mehrgewicht verursacht. Ich lasse auch den Kickstarter dran weil es angenehmer ist wie immer wieder drauf stecken... Man muss ja nicht übertreiben - ein Pokal gibts auch nicht mit 1kg weniger Gewicht
