Vorstellung und Probleme

  • Servus Leute,

    ich bin der Alex aus Bayern, 33 Jahre alt und hab meine mito bj 99 seitdem ich 19 bin. Ich hab immer wieder an ihr geschraubt (Tank entrostet, vergaser gereinigt, anderer Auspuff, ass zerlegt gereinigt, nach einem Unfall einiges instandgesetzt etc) aber mit Elektrik hab ich meine Probleme.

    Zum einen spinnt meine Drehzahl Anzeige. Die Nadel bewegt sich kaum. Wenn ich viel Gas gebe springt sie mal hoch aber dann direkt wieder auf 0.


    Zum anderen wird meine Batterie nicht geladen. Hatte die maschine in einer Werkstatt und der Mechaniker hat folgendes gemessen:

    31ACV auf dem Generator(Mechaniker sagt gut)

    12,6DCV auf der Batterie (Mechaniker sagt zu wenig)

    Ob der Spannungsregler defekt ist oder nicht konnte der Mechaniker ohne Handbuch nicht sagen.

    Hab ihm dann auszüge aus dem Handbuch geschickt. Er ist damit zu dem Schluss gekommen das es der Regler ist.

    Hab einen gebrauchten bestellt und eingebaut aber keine Veränderung.

    Hab meine Batterie über Nacht geladen und eingebaut und nach 10 min Fahrt mit Licht an wurde schon die ganze Elektrik schwach und nach dem abstellen hat der Anlasser nichtmal mehr gedreht.

    Kennt sich jemand von euch mit Elektrik aus und kann mir helfen ?

    Danke und Gruss

    Alex

  • Bei Welcher Drehzahl wurden die 31V gemessen?

    Ansonnsten, bei angeschlossenem Regler sollte die AC Wechselspannung an beiden gelben Kabeln auf ca. 13V-14V abfallen und am Reglerausgang gegen Reglermasse sollten 13,8-14,6V DC Gleichspannung messbar sein.

    Nur was knattert und stinkt, mir Freude bringt :biggrin:

  • Ob der Spannungsregler defekt ist oder nicht konnte der Mechaniker ohne Handbuch nicht sagen.

    Diese Aussage bedeutet übersetzt: Dort gibt man sein Geld besser nicht mehr aus. Die Prüfung der Regler folgt immer ein und demselben Ablauf.


    Fehlersuche:

    1) Leerlaufspannung der Batterie messen (Zündung aus):

    Mulitimeter an die Batteriepole und Spannung notieren.

    12,5V oder weniger = Batterie leer,

    12,8V = Batterie voll

    Wenn Spannung unter 12,8V, dann zuerst Batterie laden. Bei AGM Batterie oder anderer Chemie ggf. andere Spannungen.


    2) Motor anlassen

    Batteriespannung bei Motor ein nochmal messen. Die Spannung ist jetzt auch etwas abhängig von der Motordrehzahl. Wenn du das Handbuch hast, dann schau darin nach bei welcher Drehzahl gemessen werden soll. Allgemein muss die Spannung an den Batteriepolen höher sein, als die zuvor gemessene Leerlaufspannung. Ist das nicht der Fall, dann liegt ein Fehler am Ladesystem vor


    Ab hier ist ein Schaltplan nützlich

    3) Sicherungen prüfen. Falls das Ladesystem extra abgesichert ist, dann ist jetzt der Zeitpunkt danach zu sehen.

    4) Generator prüfen (Motor aus)

    Laderegler abstecken und eine Widerstandsmessung an den Phasen des Generators durchführen. Der gemessene Wert sollte gleichmäßig sein. Messwert mit dem Handbuch checken. Sollte es eine Phase geben die keinen Kontakt oder einen hohen Widerstand aufweißt, dann liegt hier ein Fehler vor. Phasen des generators zusätztlich gegen das Statorgehäuse oder Motorgehäuse messen. Hier sollte kein Kontakt bestehen.

    5) Generator prüfen (Motor ein)

    Spannungsprüfung (Wechselspannung) an den Phasen des Generators. Je nach Drehzahl können hier gut und gerne 3-stellige Messwerte entstehen. Wichtig ist, dass die gemessene Spannung gleichmäßig zwischen den Phasen ist.


    Wenn bis hierhin alles gut ist, dann könnte ein Defekt am Gleichrichter/Laderegler vorliegen. Zuerst ein bisschen Theorie:

    Der Regler ist eigentlich eine Kombination aus Gleichrichter und Regler. Beide Teile sind nur miteinander verschalten und in einem Gehäuse vergossen. Den Gleichrichter kann man per Diodenprüfung mit einem Multimeter testen. Den Regler kann man mit Spannungsmessungen auf der AC- und DC-Seite des Reglers testen - der erste Teil dazu ist schon in Schritt 2 gemacht worden.


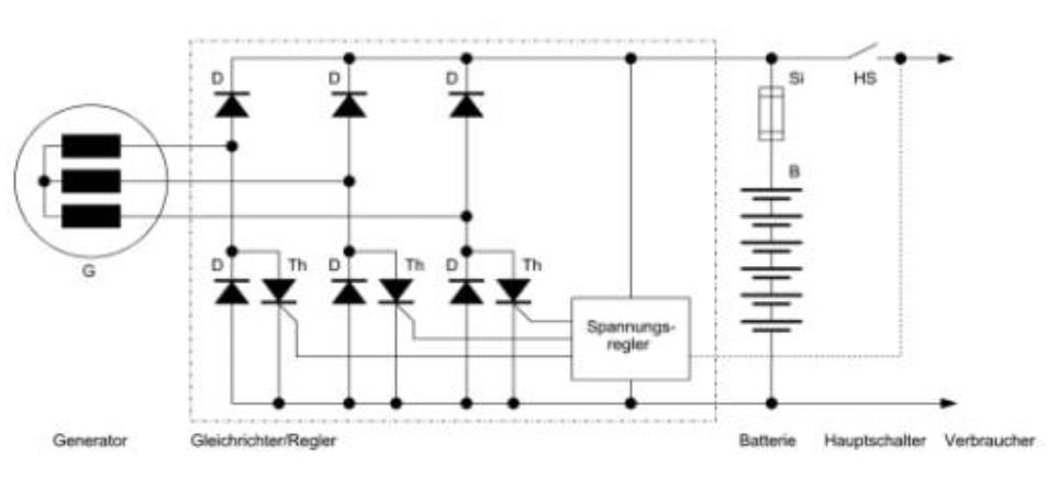
    Bei http://www.nord-com.net/dglander/bike_electr_charge.html gibts eine hübsche Grafik dazu: Die mit D gekennzeichneten Dioden gehöhren zum Gleichrichter und sind von außen messbar.


    Aus dem Generator fließt Wechselstrom in den Gleichrichter. Die positive seite des Wechselstroms fließt durch die oberen Dioden richtung Batterie +, die negative Welle fließt richtung Batterie -

    Dioden kannst du dir also vorstellen wie ein Rückschlagventil und den Generator wie eine Pumpe. Fließt Strom vom Generator in den Gleichrichter, so lässt eine Diode den Strom nur in einer Richtung passieren. In der entgegengesetzten Richtung sperrt die Diode.

    Für jede Diode gibt es also 2 Messwerte. Bei einer 3-Phasen Lichtmaschine besitzt der Gleichrichter idR. 6 Dioden - du musst also 12 Messungen durchführen. Jede Diode muss einmal Durchgang haben (Spannung messbar) und sperren (kein Durchgang), wenn die Messleitungen des Mutimeters verpolt werden. Ist ein bisschen schwer zu erklären, deswegen hier ein kurzes Video dazu:

    Externer Inhalt www.youtube.com
    Inhalte von externen Seiten werden ohne Ihre Zustimmung nicht automatisch geladen und angezeigt.
    Durch die Aktivierung der externen Inhalte erklären Sie sich damit einverstanden, dass personenbezogene Daten an Drittplattformen übermittelt werden. Mehr Informationen dazu haben wir in unserer Datenschutzerklärung zur Verfügung gestellt.




    6) Gleichrichter Diodenprüfung

    Regler abstecken / ausbauen, Multimeter auf Diodenprüfung stellen und die Gleichrichterdioden im Regler prüfen. Jede Diode muss einmal Durchgang haben und bei getauschter polarität einmal sperren. Der gemessene Spannungsabfall (zeigt das Multimeter als Messwert an) sollte gleichmäßig für alle 6 Dioden sein.


    Ist auch das gut, dann bleibt noch der Spannungsregler. Es gibt Regler, die die Spannung des Bordnetzes im Regler intern messen. Es gibt aber auch Regler, die ein extra Kabel dafür nach außen Führen. Das hat den Sinn, dass die Bordspannung an einem bestimmten Punkt eingeregelt werden soll. Falls dein Regler das so macht, ist das im Schaltplan erkennbar. An diesem Kabel muss Batteriespannung anliegen - kann man im Gegenstecker des Reglers am Kabelbaum messen.

    Der Regler an sich schließt im Betrieb einfach den Generator kurz. Ist das der Dauerzustand, dann kann nicht geladen werden. Funktioniert das nicht, dann ist die Ausgangsspannung des Reglers weit über 12V, was die Verbraucher im Bodnetz beschädigt.


    7) Regler testen

    Regler anstecken und Motor anlassen und Spannung auf der DC-Seite (Batterie) messen. Die Spannung sollte irgendwo zwischen 13 und 14,4V liegen, was auch etwas drehzahlabhängig sein kann.

    Auf der AC-Seite darf die Spannung des Generators nicht 0 werden - ehr 13-14V wie von el bodo es loco schon beschrieben.


    Ist auch diese Messung gut, aber die Batterie wird nicht geladen, dann im Schaltplan alle Bauteile, Steckverbinder und Kabel identifizieren, die mit dem Ladesystem zu tun haben. Diese dann alle genau prüfen.

  • Anbei der Schaltplan.

    Nr.10 ist der Gleichrichter/Regler

    Die Verbindung vom Regler zur Batterie ist abgesichert und die Verbindung von der Batterie zum Verbraucherstromkreis ist mit einer weiteren Sicherung abgesichert.


    Es handelt sich um ein Vollwellen gleichgerichtetes 2 Phasen System mit entsprechend gegen Masse isoliertem Stator


    Nur was knattert und stinkt, mir Freude bringt :biggrin:

    Einmal editiert, zuletzt von el bodo es loco ()

  • Servus sholloman


    Danke für deine Antwort. Hab ich gestern erst angeschaut und das massekabel der Batterie ist am Rahmen leicht rostig. Werde ich bearbeiten

  • el bodo es loco

    Danke für deine Antworten.

    Ich muss den Mechaniker fragen bei welcher Drehzahl er die Messung getätigt hat. Bin Anfang nächster Woche bei ihm.

    Werd ihm auch nochmal den Schaltplan zeigen

  • F41TH

    Hey danke für den ausführlichen Text. Ich sitz grad im Auto und muss mir alles in Ruhe durchlesen. Auf den ersten Blick wirkt es als ob es meine Fähigkeiten übersteigt. Ich bräuchte jemand der mir die ganzen Messungen genau erklärt also praktisch damit ich’s einfach versteh

  • el bodo es loco


    Die Drehzahl kann ich leider nicht sehen und der Mechaniker auch nicht weil meine drehzahlanzeige spinnt. Kann das mit dem spannungsregler zusammen hängen oder sollte ich lieber die Kabel prüfen vom Drehzahlmesser ?

    Gruss