Hmm..
Das ist schlecht, wenn Bremslicht und Blinker arbeiten sollte die Batterie in Ordnung bzw. fit genug für den Selbsttest sein.
Zündfunke und YPVS wird hier ja alles Zentral vom CDI Steruergerät gesteuert.
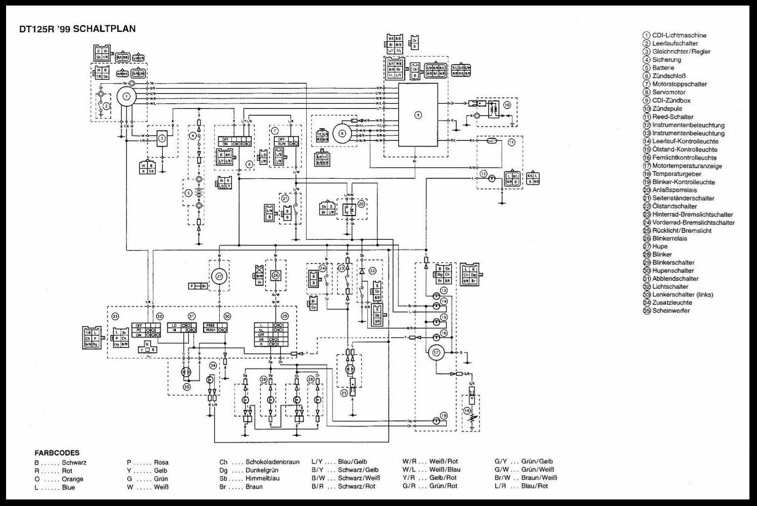
Ich habe leider nur den Schaltplan bis zur 3RM09, deine Müsste ein 3RM10 oder 3RM20 sein.
hast du rein zufällig Schaltpläne von deinem Moped? es Müsste die 12V Versorgung zum CDI Steuerteil gemessen werden.