RAVE Control V2 Universal Auslassteuerung mit Modellbauservo

  • Hallo Zusammen,


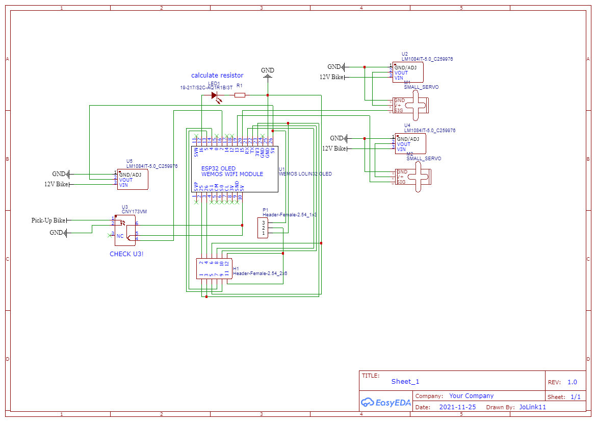
    also hier mal der erste Versuch eines Schaltplans und auch mein erster Versuch bei sowas überhaupt :D

    Dann mal los mit Verbesserungsvorschlägen.


    Layout ist gleich mit 2 Servos gemacht.


    Was mit interessiert ist ob die LM108IT-5.0 für die Servos ausreichend sind?

    Und ob ich die Verschaltung des Optokopplers CNY173VM richtig verstanden habe?


    Ein Forenmitglied hat sich gemeldet bezüglich die PCB-Erstellung Danke dafür schonmal!


    des Weiteren hier der Github-Link: https://github.com/JoLink11/UEVC

    Habe mich entschlossen es doch jetzt schon öffentlich bereit zu stellen.

    Software wurde auch nochmals überarbeitet.

    Es kann jetzt optional zwischen Drehzahl Geschlossen bis Offen der Servo linear öffen und schließen.

    müsste man mal im Feld testen, kann via Weboferfläche jederzeit deaktivert weren.


    Gruß Johannes

  • Moin Moin.

    Das hört sich alles ganz gut an. Interessant finde ich die lineare Öffnung des Servos. Ich habe ja schon die Rave Control verbaut und bin sehr zufrieden, aber wenn es ums Optimieren geht, bin ich immer dabei :zany_face:

    LG Peter

  • Geile Schache :thumbs_up_medium_light_skin_tone:


    etwas hab ich gefunden, im Code setzt du den Drehzahl pin (Interrupt) auf Pullup und dein Optokoppler hängt an 5V, ich vermute du wolltest den Optokoppler auf GND zeichnen da der Emitter auch Schaltungstechnisch auch auf GND muss.


    Welche Software benutzt du zum Upload des Codes auf den ESP32?

    Ich würde mir einen ESP32 mit OLEDbei Ebay holen und dann mal herumprobieren.


    Der 3A Spannungsregler ist etwas grenzwertig (mein empfohlener Servo zieht 4-4,5 A bei Voller Kraft aber nur 0,5-0,8 A im regulären betrieb am Auslassventil) aber könnte reichen.

    Nur was knattert und stinkt, mir Freude bringt :biggrin:

  • Guten Abend zusammen,


    el bodo es loco Danke für die Tipps, wird die Tage bzw. geändert.


    Bezüglich der Frage des Uploads, ich nutze VScode mit platform.io dafür, funktioniert wunderbar :)

    Es werden fehlenden Abhängigkeiten durch die platformio.ini geholt und man muss sich nicht darum kümmern.

    Einzig für Windows musste ich mir ein CP2102-Treiber organisieren aber die findet man wie mit google sehr schnell.

    Man muss aktuell nur in der platformio.ini die COM-Ports evtl. anpassen ich hatte keine Lust jedes mal beim Upload eine Zahl zu drücken daher ist der aktuell auf COM3 definiert. Kommt noch in die Doku rein.


    Man kann es auch ohne OLED betreiben, normaler ESP32 reicht aus, dort kann man auch natürlich ein OLED dranhängen, zum testen ist es prinzipiell egal.

    Im UEVC_Settings.h kann man oben wählen zwischen ESP mit und ohne onboard OLED.


    Okay habe ich mir fast gedacht das die 3A etwas knapp sind :frowning_face:


    Gruß Johannes

  • Coole Sache! Der ESP32 ist ja echt günstig, und scheinbar gibts auch schon Apps um über Wifi zu steuern.

    Wer lieber mit Arduino arbeitet, kann sich mal die 0.96 Oleds anschaun, die funktionieren prima.

    PCBs sind so ne Sache...superklein, schöne Optik, aber n Graus beim zusammenbauen, spreche aus Erfahrung. Sowas macht man normalerweise nur bei Großserien, aber andererseits, es gibt immer mehr Shops die PCBs komplett fertigen, und das auch noch leistbar. Great Scott auf Youtube hatte da immer nen Sponsorlink für PCBs, hatte mir das mal angeschaut, war preislich im Rahmen. Bei PCB Sammelbestellungen wäre ich jedenfalls dabei falls sich was ergibt.


    Lg

  • Guten Abend zusammen,


    um Entscheidungen bezüglich des ESP32 usw. etwas ausführlicher zu beleuchten:


    Ich habe mich absichtlich gegen eine gesonderte "APP" entschieden. Weshalb? So muss man nur ein System "warten" und entwickeln daher wurde es der Webserver auf dem ESP. Andern falls müsst man iOS & Android App dazu entwickeln (wenn es ordentlich werden soll) und dies übersteigt dann doch die Kenntnisse vieler Hobbyisten die Lust auf solches Thema haben inkl. meiner.

    Klar man kann die Kenntnisse erlernen aber bring es dem Projekt einen Vorteil? Meiner Meinung nach leider nicht da ich keine entscheiden Argument für eine gesonderte APP gefunden habe, aber ich lasse mich gerne vom Gegenteil überzeugen, auch wenn ich selbst dann trotzdem keine APP entwickeln werden :D

    Grundsatz ist bei mir: "Keep it simple and stupid"!


    Das war auch mit ein Grund, warum ich mich gegen eine Bluetoothverbindung entschieden habe. Mit WLAN hatten die meinsten schon mal irgendwie zu tun. Denn eine simple HTML-Seite kann so ziemlich jedes Gerät (Smartphone, Laptop) heut zutage anzeigen, die auch von der Generation Analogen/nicht digitalnativ Menschen bedient werden kann. In einem Browser eine die IP einzutippen ist auch für zwei digital verknotete Hände zumutbar. Wer hier ins Forum kommt kann dies auch.

    Anschließend sieht die Maske wie ein Datenblatt aus, welches man ausfüllen darf, ist auch aus meiner Sicht nicht zu überfordert für die Analog-Generation. Das "Äquivalent" zum Login ins Forum.


    Kolbi Die Bluetooth Steuerung von dir hat ihre Berechtigung, hat meiner Auffassung nach einen anderen Fokus. Meine Entscheidungsfindung ging in eine andere Richtung, da mein Ziel etwas anders ist.

    Möglicherweise finden sich ja Synergien die man nutzen kann.


    Bezüglich PCBs auch hier wurde in der Entscheidungsfindung klar, für den Zweck, den ich mir definiert habe, kommt soweit möglich nur Through Hole Technology (THT) zum Einsatz (Lötstellen vergleichbar mit denen von Lochrasterplatinen). Was man im PCB-Design im voraus berücksichtigen kann/sollte. Für ersten Test-Platinen wird es ehe THT werden. Aktueller Stand im Schaltplan bekommt ehe jede Leitung Jumper & Header versehen, damit man schnell Fehler beheben kann und ohne irgendwas druch "zerkratzen" trennen zu müssen.

    Surface Mounted Technology (SMT) wäre dann für eine Serienfertigung natürlich sinnvoller. Man kann auch beiden Arten parallel auf die PCB packen und je nach dem was man möchte drauflöten.

    Wenn ich mir die grobe Zielgruppe für eine solche Steuerung anschaue, wird es definitiv THT werden, vor allem ist das auch via Open-Source einfacher umzusetzen. Lötkolben haben die meisten, Lötofen oder Heißluft"pistole" zum Löten die wenigsten.

    Dennoch danke für den Hinweis Kolbi, evtl. doch großzügigere Lötpads wählen als die Standart THT-Löcher habe, wo es möglich ist.


    Das Ganze will ich auch nicht verkaufen, ich möchte nur die Möglichkeit bieten, dass sich jeder kostengünstig eine Nachrüstlösung selbst zusammen suchen und bauen kann, daher soll diese Steuerung auch möglichst universal werden.


    Jeder der gerne mitentwickeln möchte kann dies tun, Vorschläge/Ideen jeglicher Art sind gerne willkommen, nur so lebt ein Open-Source Projekt und kann sich weiterentwickeln. Auch von Leuten, die keine Ahnung vom Programmieren usw. haben macht Vorschläge!

    Eine Person kann nicht alles wissen, ich schon garnicht, ich versuche das Meiste zusammenzutragen was ich mir an Infos schon eingeholt habe, bzw. andere mir gegeben haben.


    Evtl. sollte man überlegen in Allgemein oder Technik-Spezial Forum ein Thread dafür aufmachen.


    Im Hintergrund gibt es ja zum Glück schon einwenig fachliche Unterstützung :).

    Gruß Johannes

  • Stimmt ja, die Möglichkeit über HTML gibts auch, für einen erfahrenen Webprogrammierer kein Problem. Die Apps haben halt den Vorteil dass sich der Benutzer Anzeigen wie Drehzahlmesser, Graphen, Buttons, etc selbst per Drag and Drop zusammenstellen kann, zb Arduino Electronics ist ne tolle gratis App.


    Wie lange und wie oft war die Schaltung eigentlich schon im Einsatz? Mich wundert nämlich, dass es die Diode vor dem Kondensator beim einschalten nicht grillt, da gehört normalerweise noch eine Einschaltstrombegrenzung eingebaut. Entweder über Lastwiederstand oder NTC.


    Lg

  • Die Schaltung funktioniert seit 1,5 Jahren mit mehreren Einsätzen pro Woche, ich habe auch noch viele weitere Schaltungen mit dem 470µF Kondensator hinter der Diode. Die 4007 verkraftet laut Datenblatt 50A Puls, bis jetzt hat es noch nichts zerlegt.


    Bei der Mikrokopter Flightcontrol sind es 330µF nach der Diode und die wurde Tausendfach verkauft ohne mir bekannte Probleme das die Diode ständig stirbt. Scheint also bei 12V und 470µF noch in der Schmerztoleranz der Diode zu liegen.


    Natürlich muss man aufpassen, wenn man irgendwann 15 Steuergeräte mit 470µF Eingangskapazität hat dann kommt auch das Zündschloss an seine Grenzen

    Nur was knattert und stinkt, mir Freude bringt :biggrin:

  • Viele FCs machen nach langem Gebrauch Probleme, hatte das schon mehrfach, da sind nich immer Profis am Werk. Durch den Kurzschluss beim Einschalten verliert der Elko Kapazität, nach einiger Zeit hat er dann so wenig Kapazität dass er die Schaltung nicht mehr zu stabilisieren vermag, und der FC dann verrückt spielt.


    Nur wird deine Schaltung nicht verrückt spielen, sondern schlimmstenfalls vielleicht neustarten wenn man den Anlasser drückt und die Batteriespannung in die Knie geht. Ist also überhaupt kein Problem. Aber da Lastwiederstände nur ein paar Cent kosten, wäre es nicht verkehrt einen vor die Diode zu löten, es macht die Schaltung robuster und langlebiger.


    Cooles Projekt, weiter so!


    Lg